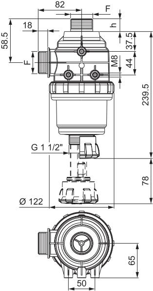
1 1/2"-50M ELZÁRÓSZELEPES SZŰRŐ

TERMÉKKÓD: 3142463

27 203 Ft