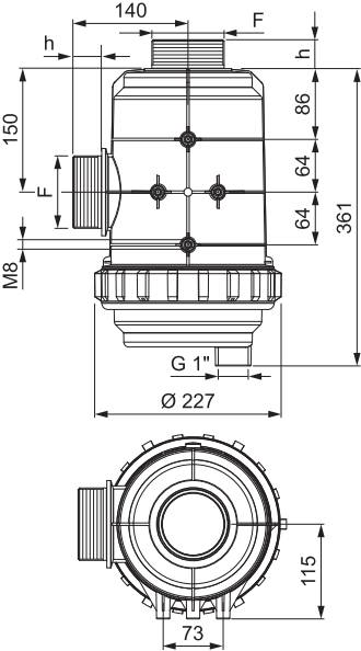
3"-30M SZÍVŐSZŰRŐ

TERMÉKKÓD: 319092

47 625 Ft